HAMAMATSU 滨松 L9181-02 微焦点 X 射线源
特点
- 焦点尺寸:5 µm(4 W 时)
- 无需高压电缆连接
- 通过 RS-232C 接口进行外部控制
- 高功率:最大输出为 39 W
用途
[Applicable objects]
详细参数
| 管电压 | 130 kV |
|---|
| 类型 | 密封型 |
|---|
| 管电压工作范围 | 40 至 130 kV |
|---|
| 最大输出 | 39 W |
|---|
| X 射线焦点尺寸 | (4W 时)5 μm |
|---|
| X 射线光束角度(锥角) | 45 度 |
|---|
| 焦点至物体距离 (FOD) | 13 mm |
|---|
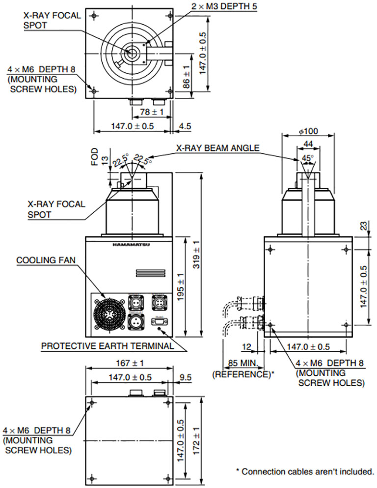
外形尺寸图(单位:mm)

手机/微信:13242449659电话:0755-89355351 QQ:842471885 邮箱:842471885@qq.com