Sinpo 新天 JCXF1 光栅线位移传感器系列
线位移光栅测量系统
光栅线位移测量系统主要应用于直线移动导轨机构,可实现线位移的精确显示,广泛应用于机床和测量仪器,目前已形成多种系列产品。品种齐全,制作精巧,技术精良,可提供不同规格的机床、仪器数字化改造选用,还可根据用户的特殊需求定制。
我公司光栅传感器分为敞开式和封闭式两类。其中敞开式为高精度型,主要用于精密仪器的数字化改造,最高分辨率可达20nm,最长可做到50m;封闭式则主要用于普通机床、仪器的数字化改造,输出波形为方波(或正弦波),按外形分类可分为小型尺、标准尺、大型尺三类,其中大型尺(JCXG型)最长可做到3100mm,超长尺可做到3100mm~15000mm。此外可根据用户需求,提供各种安装附件。
◇ 用于计量仪器: JCXF、JCXE、JCXFS、JCXH、JCXU系列。
◇ 用于机床设备:JCXF、JCXFS、JCXE、JCXK、JCXG、JCXGL系列。
◇ 用于注塑机设备的JCXEP拉杆式传感器。
◇ 火花机、小孔机、线切割等干扰较大的设备需选用火花机专用型传感器。
线位移光栅传感器特点
单层及双层防护密封条,采用特殊的耐油、耐蚀、高弹性及抗老化塑胶,防水、防尘性能优异,使用寿命长,防护等级达到IP53。
先进可靠的光学测量系统,滑动部件采用高精度五轴承系统设计,保证光学机械系统的稳定性,具备优异的重复定位性和高等级的测量精度。
光栅玻璃尺采用先进的光栅制作技术,可制作各种规格的高精度光栅玻璃尺,最长可做到3100mm(不接长)。
由于光栅线位移传感器不用附加的机械传动部件来确定线性轴的轴向移动位,因此排除了一系列可能出现的误差源,可提高设备的定位精度,避免以下误差:
◇ 滚轴丝杆受热造成的位置误差
◇ 丝杆间隙带来的反向位置误差
◇ 滚轴丝杆螺距误差带来的动态误差




光栅传感器基本参数

JCXF系列主要参数

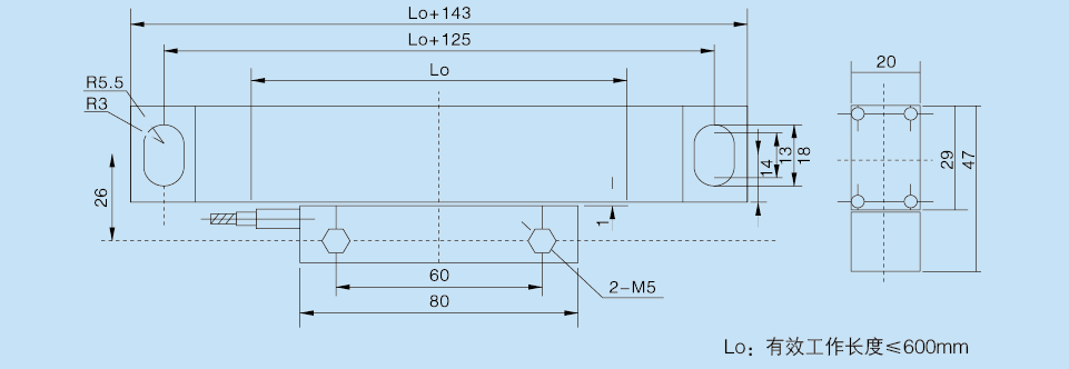
JCXF 系列外形尺寸图

手机/微信:13242449659电话:0755-89355351 QQ:842471885 邮箱:842471885@qq.com