CAIKON 蔡康光学 SEM3200 钨灯丝扫描电子显微镜
SEM3200是一款高性能、应用广泛的通用型钨灯丝扫描电子显微镜。拥有出色的
成像质量、可兼容低真空模式、在不同的视场范围下均可得到高分辨率图像。
大景深,成像富有立体感。丰富的扩展性,助您在显微成像的世界中尽情探索。
产品特点(*为选配件)
低电压
碳材料样品,低电压下,穿透深度较小,可以获取样品表面真实形貌,细节更丰富。


毛发样品,在低电压下,电子束辐照损伤减小,同时消除了荷电效应。


低真空
过滤纤维管材料,导电性差,在高真空下荷电明显,在低真空下,无需镀膜即可实现对不导电样品的直接观察。


大视场
生物样品,采用大视场观察,能够轻松获得瓢虫整体形貌及头部结构细节,展现跨尺度分析。


导航&防碰撞
光学导航
想看哪里点哪里,导航更轻松
标配仓内摄像头,可拍摄高清样品台照片,快速定位样品。

手势快捷导航
可通过双击移动、鼠标中键拖动、框选放大,进行快捷导航
如框选放大:在低倍导航下,获得样品的大视野情况,可快速框选您感兴趣的样品区域,提高工作效率。


防碰撞技术
采取多维度的防碰撞方案:
1. 手动输入样品高度,精准控制样品与物镜下端距离,防止发生碰撞;
2. 基于图像识别和动态捕捉技术,运动过程中对仓内的画面进行实时监测;
3. 硬件防碰撞,可在碰撞一瞬间停止电机,减少碰撞损伤。(*SEM3200A需选配此功能)

特色功能
智能辅助消像散
直观反映整个视野的像散程度,通过鼠标点击清晰处,可快速调节像散至最佳。


自动聚焦
一键聚焦,快速成像。


自动消像散
一键消像散,提高工作效率。


自动亮度对比度
一键自动亮度对比度,调出灰度合适图像。


多种信息同时成像
SEM3200软件支持一键切换SE和BSE的混合成像。可同时观察到样品的形貌信息和
成分信息。



快速图像旋转
拖动一条线,图像立刻“摆正角度”。


丰富拓展性
扫描电子显微镜不仅局限于表面形貌的观察,更可以进行样品表面的微区成分分析。
SEM3200接口丰富,除支持常规的二次电子探测器(ETD)、背散射电子探测器(BSED)、X射线能谱仪(EDS)外,也预留了诸多接口,如电子背散射衍射(EBSD)、阴极射线(CL)等探测器都可以在SEM3200上进行集成。
背散射电子探测器
二次电子成像和背散射电子成像对比
背散射电子成像模式下,荷电效应明显减弱,并且可以获得样品表面更多的成分信息。
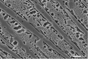
镀层样品:


钨钢合金样品:


四分割背散射电子探测器——多通道成像
探测器设计精巧,灵敏度高,采用4分割设计,无需倾斜样品,可获得不同方向的阴影像以及成分分布图像。




四个单通道的阴影像

成分像
能谱
LED小灯珠能谱面分析结果。

电子背散射衍射
钨灯丝电镜束流大,完全满足高分辨EBSD的测试需求,能够对金属、陶瓷、矿物等多晶材料进行晶体取向标定以及晶粒度大小等分析。
该图为Ni金属标样的EBSD反极图,能够识别晶粒大小和取向,判断晶界和孪晶,对材料组织结构进行精确判断。

产品参数
| 型号 | SEM3200A | SEM3200 |
|---|
| 电子光学系统 | 电子枪类型 | 预对中型发叉式钨灯丝电子枪 |
| 分辨率 | 高真空 | 3 nm @ 30 kV(SE) |
| 4 nm @ 30 kV(BSE) |
| 8 nm @ 3 kV(SE) |
| *低真空 | 3 nm @ 30 kV(SE) |
| 放大倍率 | 1-300,000x(底片倍率) |
| 1-1000,000x(屏幕倍) |
| 加速电压 | 0.2 kV~30 kV |
| 成像系统 | 探测器 | 二次电子探测器(ETD) |
| *背散射电子探测器、*低真空二次电子探测器、*能谱仪EDS等 |
| 图像保存格式 | TIFF、JPG、BMP、PNG |
| 真空系统 | 真空模式 | 高真空 | 优于5×10-4 Pa |
| *低真空 | 5~1000 Pa |
| 控制方式 | 全自动控制 |
| 样品室 | 摄像头 | 光学导航 |
| 样品仓内监控 |
| 样品台配置 | 三轴自动 | 五轴自动 |
| 行程 | X: 120 mm | X: 120 mm |
| Y: 115 mm | Y: 115 mm |
| Z: 50 mm | Z: 50 mm |
| / | R: 360° |
| / | T: -10°~ +90° |
| 软件 | 语言 | 中文 |
| 操作系统 | Windows |
| 导航 | 光学导航、手势快速导航 |
| 自动功能 | 自动亮度对比度、自动聚焦、自动像散 |
| 特色功能 | 智能辅助消像散、*大图拼接(选配软件) |
| 安装要求 | 房间 | 长 ≥ 3000 mm,宽 ≥ 4000 mm,高 ≥ 2300 mm |
| 温度 | 20 ℃~25 ℃ |
| 湿度 | ≤ 50 % |
| 电气参数 | 电源AC 220 V(±10 %),50 Hz,2 kVA |

手机/微信:13242449659电话:0755-89355351 QQ:842471885 邮箱:842471885@qq.com