HAMAMATSU 滨松 L12161-07 微焦点 X 射线源
特点
- 焦点尺寸:5 μm(4 W 时)
- 高功率:最大输出为 75 W
- 通过 RS-232C 接口进行外部控制
- 高速上升
- 无需高压电缆连接
用途
[Applicable objects]
- 半导体仪器
- 电子组件
- 印刷电路板
- 陶瓷
- 塑料组件
- 压铸
- 金属组件
详细参数
| 管电压 | 150 kV |
|---|
| 类型 | 密封型 |
|---|
| 管电压工作范围 | 40 至 150 kV |
|---|
| 最大输出 | 75 W |
|---|
| X 射线焦点尺寸 | (4W 时)5 μm |
|---|
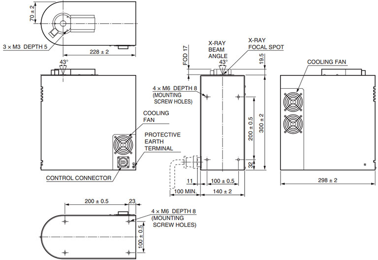
| X 射线光束角度(锥角) | 43 度 |
|---|
| 焦点至物体距离 (FOD) | 17 mm |
|---|
外形尺寸图(单位:mm)
X 射线管单元 L8122-01

X 射线控制单元 C12163

L12161-07 系统配置:X 射线管单元 (L8122-01) + X 射线控制单元 (C12163) + 涡轮泵组 + 附件
手机/微信:13242449659电话:0755-89355351 QQ:842471885 邮箱:842471885@qq.com