HAMAMATSU 滨松 R595 电子倍增器
详细参数
| 倍增器电极级数 | 20 |
|---|
| 倍增器电极结构 | 盒式及网格 |
|---|
| 倍增器电极材料 | Cu-BeO |
|---|
| 输入孔径 | 12 x 10 mm |
|---|
| 电源电压 | 1500 V |
|---|
| 增益率典型值 | 4.0 x 107 |
|---|
| 上升时间典型值 | 12 ns |
|---|
| 阳极至所有其他电极电容 | 9 pF |
|---|
| [Max. Rating] 阳极至第一倍增器电极电压 | 5000 V |
|---|
| [Max. Rating] 阳极至最后的倍增器电极电压 | 400 V |
|---|
| [Max. Rating] 平均阳极电流 | 10 μA |
|---|
| [Max. Rating] 工作真空度 | 133 x 10-4 Pa |
|---|
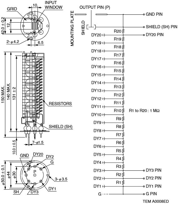
外形尺寸图(单位:mm)

手机/微信:13242449659电话:0755-89355351 QQ:842471885 邮箱:842471885@qq.com