CORRECT 清和 FVL-1.5X-110D- CA-HR 远心镜头
C接口200万像素兼容
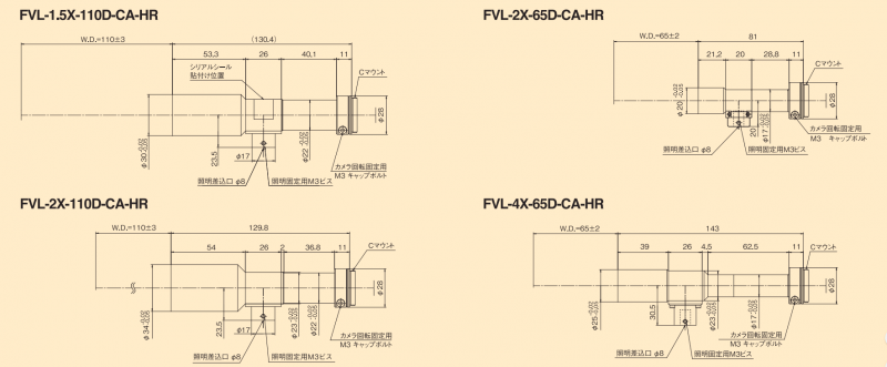
兼容200万像素相机的远心镜头FVL HR系列 这是一款兼容200万像素相机的远心镜头,带有同轴落射照明管/直管。 非常适合高清对准和尺寸测量。 有些兼容500万像素相机。 您可以选择同轴型和光强度不均匀较少的直型。



型号:同轴
型号:直式 | FVL-1X-65D- CA-HR FVL-1X-65- CA-HR | FVL-1.5X-110D- CA-HR FVL-1.5X-110- CA-HR | FVL-2X-65D- CA-HR FVL-2X-65- CA-HR | FVL-2X-110D- CA-HR FVL-2X-110 -CA-HR | FVL-4X-65D- CA-HR FVL-4X-65- CA-HR | FVL-4X-110D- CA-HR FVL-4X-110 -CA-HR |
|---|
| 放大 | 1X | 1.5倍 | 2X | 2X | 4X | 4X |
| 工作距离 | 65毫米 | 110毫米 | 65毫米 | 110毫米 | 65毫米 | 110毫米 |
| 景深 | 808μm | 423μm | 270微米 | 240μm | 80μm | 100μm |
| 光学畸变 | 0.1%以下 | 0.01%以下 | 0.01%以下 | 0.01%以下 | 0.02%以下 | 0.025%以下 |
| 中心分辨率 | 147LP/毫米 | 188LP/毫米 | 222LP/毫米 | 222LP/毫米 | 333LP/毫米 | 256LP/毫米 |
| 解决 | 6.8μm | 5.3μm | 4.5μm | 3.9μm | 2.7μm | 3.5μm |
| 不适用 | 0.049 | 0.063 | 0.075 | 0.085 | 0.125 | 0.096 |
| 有效F | 10.1 | 11.9 | 13.3 | 11.8 | 15.8 | 21 |
| 山 | C接口 | C接口 | C接口 | C接口 | C接口 | C接口 |
| 兼容设备尺寸 | 2/3 英寸或更小 | 2/3 英寸或更小 | 2/3 英寸或更小 | 2/3 英寸或更小 | 2/3 英寸或更小 | 2/3 英寸或更小 |
| 重量:同轴 | 82克 | 158克 | 56克 | 106克 | 106克 | 110克 |
| 重量: 直 | 76克 | 150克 | 50克 | 100克 | 100克 | 102克 |
手机/微信:13242449659电话:0755-89355351 QQ:842471885 邮箱:842471885@qq.com