HUAGUO     华国     R802     特殊鏡頭
  • HUAGUO     华国     R802     特殊鏡頭

HUAGUO 华国 R802 特殊鏡頭

HUAGUO 华国 R802 特殊鏡頭
液态远心镜头

HUAGUO     华国     R802     特殊鏡頭

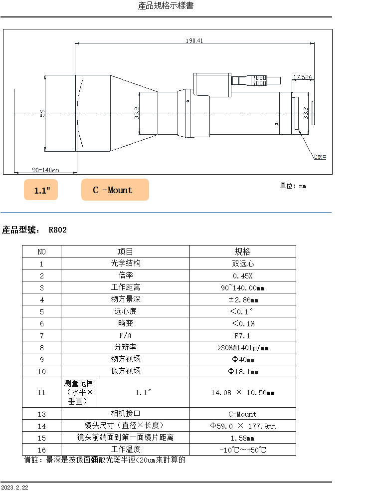
使用液态镜片,毫秒级改变液态镜片折射率或曲率或厚度等改变屈光能力 无需物理接触,通过电控方案即可快速调焦,不改变液态镜片的折射率,只改变曲率。双远心设计,工作距离90~140mm,低畸变高分辨率,可用于近距离图像识别应用和质量检测等应用场景。 

手机/微信:13242449659电话:0755-89355351 QQ:842471885 邮箱:842471885@qq.com

本站使用百度智能门户搭建 管理登录
粤ICP备12090481号
在线客服