HAMAMATSU 滨松 S4204 硅 PIN 光电二极管阵列
详细参数
| 像素数 | 2 段式 |
|---|
| 封装 | 塑料 |
|---|
| 制冷 | 非冷却型 |
|---|
| 灵敏度波长范围 | 320 至 1100 nm |
|---|
| 最大灵敏度波长(典型值) | 960 nm |
|---|
| 感光灵敏度(典型值) | 0.65 A/W |
|---|
| 暗电流(最大值) | 1000 pA |
|---|
| 截止频率(典型值) | 30 MHz |
|---|
| 结电容(典型值) | 3 pF |
|---|
| 测量条件 | 典型值 Ta = 25°C,每个像元(受光面除外),除非另有说明, 感光灵敏度:λ = 960 nm |
|---|
光谱灵敏度特性
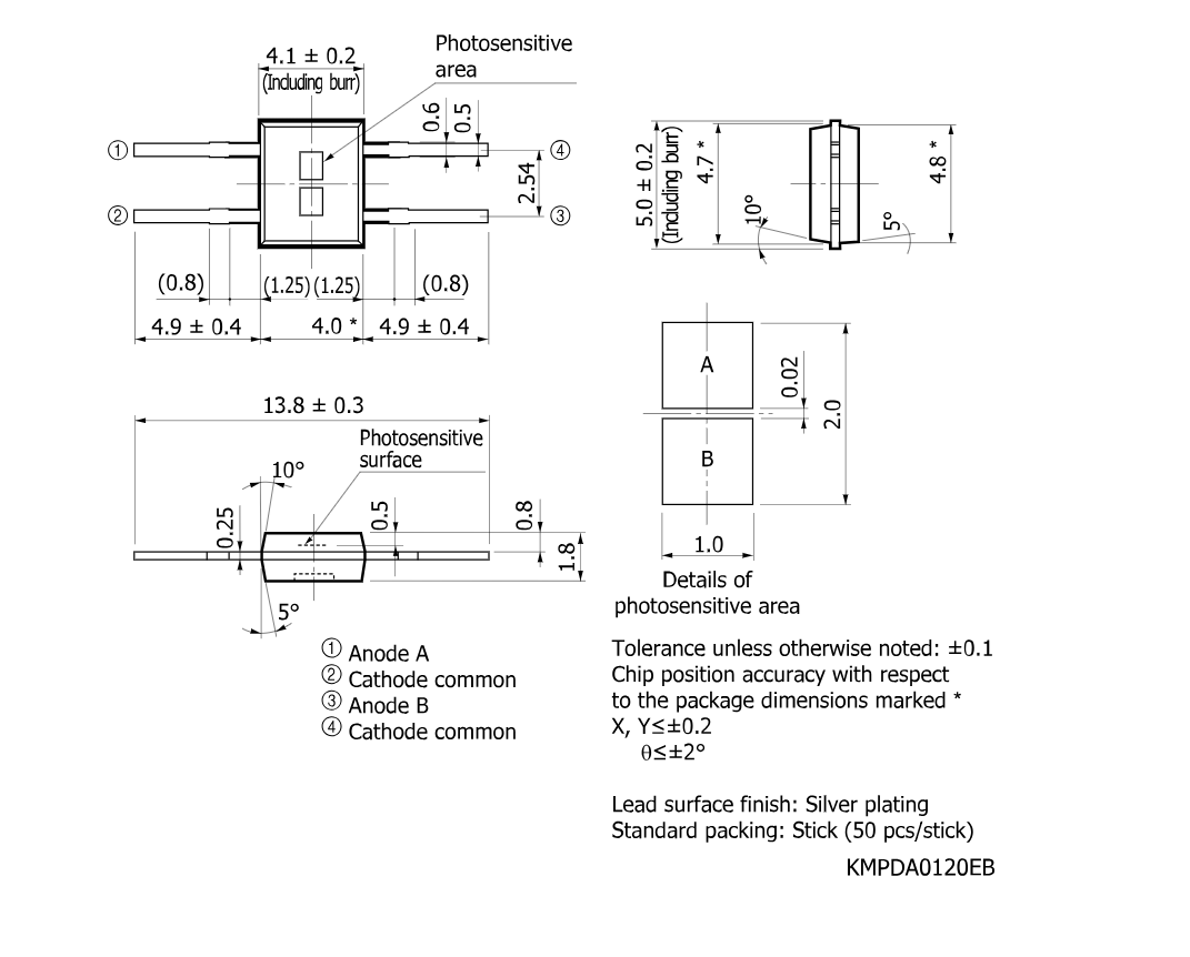
外形尺寸图(单位:mm)

手机/微信:13242449659电话:0755-89355351 QQ:842471885 邮箱:842471885@qq.com