SHIMATEC 仕玛铁 VRMDS-120B 环形照明
基本规格
| 材料 | 铝树脂 |
| 电缆长度 | 0.3m |
| 电缆类型 | 机器人电缆AWG22(2芯,外径4.7mm) |
| 使用通道数 | 1通道 |
| 能量消耗 | (红、绿、W) 15W (B) 24W |
| 使用环境 | 温度0~40℃,湿度20~87%RH(无凝露) |
| 冷却方式 | 自然冷却 |
| 输入电压 | 直流24V |
| 连接器 | SMR-03V-B(日本出版社制造) |
| 极性 | 1 针:+(芯线粉色) 2 针:NC 3 针:-(芯线蓝色) |
| 大量的 | 170克 |
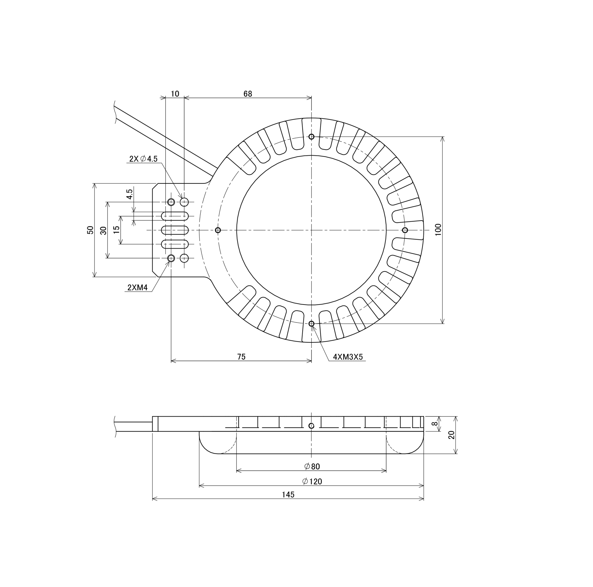
尺寸

兼容的控制器和选项
选项
■关于延长电缆
使用本产品时需要延长电缆。延长电缆作为标准配置提供,增量为 1m,从 1m 到 10m。(长度可以调整,因此如果您有要求,请告诉我们。)
手机/微信:13242449659电话:0755-89355351 QQ:842471885 邮箱:842471885@qq.com