EVIDENT 奥林巴斯 MXPLFLN20X 半导体晶圆检测物镜
高数值孔径和长工作距离平场半复消色差物镜 – MXPLFLN
- 设计用于明场、微分干涉对比(DIC)、荧光和简单偏光观察方法
- 结合了高数值孔径、长工作距离和图像平场性
- 有20倍和50倍放大倍率可选,工作距离为3 mm
MXPLFLN50X
MXPLFLN50X是我们推出的第一款50倍物镜,其数值孔径为0.8,工作距离为3 mm。与LMPLFLN100X物镜相比,由于在50倍放大倍数下的数值孔径为0.8,所以视野要大四倍。
MXPLFLN20X
MXPLFLN20X是我们推出的第一款20倍物镜,其数值孔径为0.6,工作距离为3 mm。该物镜的高数值孔径和高图像平场性可产生非常适合拼接的同质图像。
技术规格
| 放大倍率(X) | 20 |
|---|
| 数值孔径(NA) | 0.6 |
|---|
| 工作距离(WD,mm) | 3 |
|---|
| 物镜视场数 | 26.5 |
|---|
| 浸泡介质 | 空气/干燥 |
|---|
| 受载弹簧 | N/A |
|---|
| 校正环 | N/A |
|---|
| 校正环的校正范围 | N/A |
|---|
| 光圈 | N/A |
|---|
| 色差的校正水平 | 半复消色差(FL) |
|---|
| 齐焦距离(mm) | 45 |
|---|
| 后焦面(BFP)位置 | -8.0 |
|---|
| 螺纹类型 | W20.32 × 0.706(RMS) |
|---|
| 明场(反射) | 良好 |
|---|
| 明场(透射) | 良好 |
|---|
| 暗场(反射) | N/A |
|---|
| 暗场(透射) | N/A |
|---|
| DIC(微分干涉)(反射) | 良好 |
|---|
| DIC(微分干涉)(透射) | N/A |
|---|
| 相衬 | N/A |
|---|
| 浮雕相衬 | N/A |
|---|
| 偏光 | 不足 |
|---|
| 荧光(B,G激发) | 良好 |
|---|
| UV荧光(365 nm处) | N/A |
|---|
| 多光子 | N/A |
|---|
| TIRF(全内反射荧光) | N/A |
|---|
| IR(红外) | N/A |
|---|
| WLI(白光干涉) | N/A |
|---|
| 自动聚焦 | 良好 |
|---|
透射率/波长

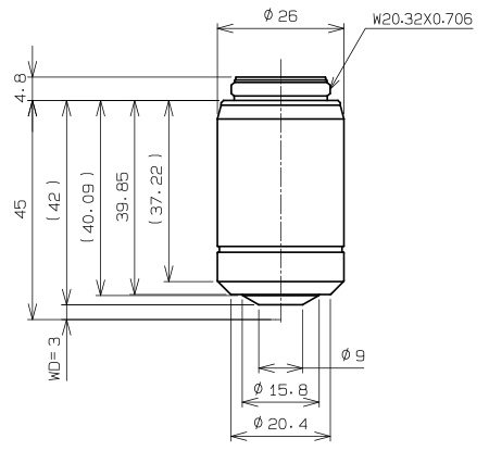
外形尺寸

手机/微信:13242449659电话:0755-89355351 QQ:842471885 邮箱:842471885@qq.com