CORRECT 清和 PM-5 (适用于φ28镜筒) 光学配件
用于变焦的棱镜安装座
镜筒用直角棱镜
镜筒用直角棱镜 2 个
兼容 φ28 变焦镜头 PM 系列
直角棱镜
光路可弯曲 90 度,在上方没有空间时有效。
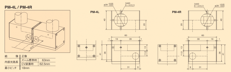
2 直角棱镜
可有效观察微小工件两点之间的间距。
*可用于变焦镜筒以外的物体。



| 模型 | WD 未安装 PM | PM-2 (适用于φ28镜筒) | PM-3 (适用于φ28镜筒) | PM-5 (适用于φ28镜筒) | PM-4R (适用于φ28镜筒) | PM-4L (适用于φ28镜筒) |
|---|
| 一侧间距 | - | 10毫米 | 8.5毫米 | 5毫米 | 9毫米 | 9毫米 |
| 标准时间 | 90毫米 | 55毫米 | 41.5毫米 | 42毫米 | 27毫米 | 27毫米 |
| 配备 CV-04 时 | 195毫米 | 166.5毫米 | 153毫米 | 153.5毫米 | 132.5毫米 | 132.5毫米 |
| 配备 CV-05 时 | 180毫米 | 151.5毫米 | 138毫米 | 138.5毫米 | 117.5毫米 | 117.5毫米 |
| 配备CV-075时 | 120毫米 | 91.5毫米 | 78毫米 | 78.5毫米 | 57.5毫米 | 57.5毫米 |
| 配备 CV-15 时 | 54毫米 | 25.5毫米 | 12毫米 | 12.5毫米 | - | - |
| 配备 CV-20 时 | 36毫米 | 7.5毫米 | - | - | - | - |
| 重量 | - | 73克 | 132克 | 110克 | 185克 | 185克 |
手机/微信:13242449659电话:0755-89355351 QQ:842471885 邮箱:842471885@qq.com